

SERIE FLUX
FLUX4, FLUX5, FLUX7, FLUX12, FLUX24, FLUX28, FLUX38, FLUX44, FLUX55, FLUX83

Especificaciones:
La Serie FLUX es una amplia gama de motobombas centrífugas horizontales monoetapa construidas en acero inoxidable 304. Sus técnicas avanzadas de fabricación, junto con su diseño versátil, ofrecen una confiable solución a la mayoría de las necesidades dentro del mercado habitacional, comercial e industrial.
Múltiples aplicaciones:
- Sistemas de agua potable.
- Sistemas de enfriamiento.
- Sistemas contra incendio.
- Actividades agrícolas: irrigación de tierras de cultivo, acuicultura, etc.
- Transferencia de líquido industrial, alimentación de calderas, sistemas de refrigeración y sistema de condensación.
- Abastecimiento de agua, transporte de agua en obras hidráulicas, bombeo de sistemas municipales, etc.
- Tratamiento de agua –el equipo puede ejercerse como bomba de entrada para sistemas de ósmosis inversa, sistema de transferencia de agua,etc–.
- Sistemas industriales, sistemas de agua de procesos, sistemas de limpieza, elaboración de vino y sistemas de la industria de alimentos.
- Edificios (hoteles, centros comerciales, oficinas, escuelas, hospitales, grupos de viviendas, etc.)

Características de construcción:
- Impulsor cerrado en acero inoxidable 304.
- Eje en acero inoxidable 304.
- Cuerpo en acero inoxidable 304.
- Tornillería en acero inoxidable 304.
- Sello mecánico en Carbón-Cerámica/ NBR.
- Empaque del cuerpo hidráulico en NBR.
- Contrabridas tipo DIN estándar en acero inoxidable 304. –Nota: No incluidas, solicitar aparte–.
Operación:
- Rango de temperatura del líquido: 5°C a 70 °C.
- Máxima temperatura ambiente: 40°C.
- Rango pH: 6 a 8.
- Máxima presión de operación: 10 bar / 145 psi.
- Densidad recomendada: 1g/cm3.
Motor
- Asíncrono con dos polos.
- Totalmente cerrado y enfriado por ventilador (TCCV).
- Aislamiento clase F.
- Protección térmica incorporada en equipos monofásicos.
- Servicio continuo.
- Grado de protección IP55.
Ventajas:
- Cuerpo hidráulico en acero inoxidable 304 ideal para aplicaciones donde se requiere que el agua no tenga contacto con materiales sujetos a oxidación.
- Diseño compacto, ya que adopta la nueva técnica de fabricación a través del hidroconformado.
- Optimización de la apariencia del motor a través de su diseño cuadrado.
- Cuerpo de bomba tipo voluta para una máxima eficiencia.
- Conexión hidráulica a través de contrabridas.
- Fácil instalación.






Rangos de operación:
Las motobombas horizontales monoetapa serie FLUX están disponibles en 10 rangos de flujo, más de 40 rangos de presión y con potencias desde 1.5 hasta 120 Hp. Por ello, se le asegura al usuario que tendrá la capacidad de encontrar el equipo que más se adecué a su necesidad.


Modelos:

FLUX4 (para 4 lps)

Curva de operación:



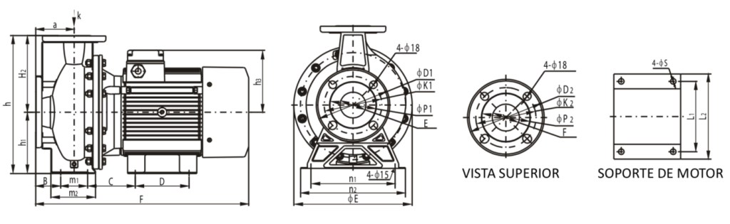
Dimensiones y pesos:


FLUX5 (para 5 lps)

Curva de operación:



Dimensiones y pesos:


FLUX7 (para 7 lps)

Curva de operación FLUX7 (2 HP A 4 HP):

Curva de operación FLUX7 (5.5 HP A 15 HP):




Dimensiones y pesos:



FLUX12 (para 12 lps)

Curva de operación FLUX12 (4 A 5.5 HP):

Curva de operación FLUX12 (7.5 A 25 HP):




Dimensiones y pesos:



FLUX24 (para 24 lps)

Curva de operación:



Dimensiones y pesos:


FLUX28 (para 28 lps)

Curva de operación:



Dimensiones y pesos:


FLUX38 (para 38 lps)

Curva de operación:



Dimensiones y pesos:


FLUX44 (para 44 lps)

Curva de operación:



Dimensiones y pesos:


FLUX55 (para 55 lps)

Curva de operación:



Dimensiones y pesos:


FLUX83 (para 83 lps)

Curva de operación:



Dimensiones y pesos:




